Організація багато кристальної пам'яті
1
Проектування схем підключення мікросхем пам'яті
2
Способи розширення адресного простору мікропроцесора
2.1
Метод сторінкового розширення адресного простору
2.2
Метод сегментного розширення адресного простору
2.3
Метод розширення адресного простору за допомогою вікон
1
Проектування схем підключення мікросхем пам'яті
При проектуванні схем підключення мікросхем пам'яті до
мікропроцесора розв’язуються такі задачі:
·
розробка схем адресації пам'яті і формування сигналів керування
на функціонально-логічному рівні;
·
аналіз навантажувальних умов в отриманій схемі,
забезпечення робочих режимів для виходів з відкритим колектором (стоком) і
застосування при необхідності буферних елементів для усунення перевантажень
джерел сигналів;
·
узгодження часових діаграм мікропроцесора і мікросхем
пам'яті.
При адресації пам'яті розміщають адреси постійних і
оперативних запам’ятовувальних пристроїв в заданих областях адресного простору.
Приклад 1

Рисунок 1 –
Схема підключення модуля пам’яті
Послідовність
дій мікропроцесора:
1.
Мікропроцесор (МП) поміщає адресу пам’яті на виводи адреси А15–А0.
2.
МП формує сигнал R/W, який інформує модуль
пам’яті о режимі роботи (1 – READ,
0 – WRITE).
3.
П’ять старших біт
адреси керують входом дозволу роботи модуля пам’яті (
).
4.
Решта 11 біт адреси
поступають на модуль пам’яті. Модуль DD4 використовує
їх для вибірки конкретної комірки всередині мікросхеми, доступ до якої запитує
МП.
Необхідно:
Визначте організацію та об’єм ОЗП
1.
Намалюйте адресний простір МПС та показати де розташований модуль ОЗП.
2.
Визначте, який діапазон шістнадцятирічних адрес може активізувати модуль ОЗП.
3.
визначити чи можуть шістнадцятирічні адреси 607F, 57FA, 5F00, 15D0, AFF3 активізувати модуль пам’яті, і якщо так, то які з них.
4.
наведіть схему керування модулями ОЗП , якщо початковий об’єм ОЗП збільшений у два рази.
Приклад 2

Рисунок
2 – Схема підключення АЦП до мікропроцесорної системи
На
рисунку 2 показаний один з способів реалізації логіки дешифрації
адреси. Сигнал вибору мікросхеми
,
який активізує АЦП, знімається з 8 старших ліній шини адреси мікропроцесора.
Якщо МП потрібно обмінятися інформацією з АЦП, то він видає на шину адресу, а
логіка дешифрації адреса переводить сигнал
в стан з низьким рівнем напруги.
Необхідно: а) визначити адресу АЦП; б) змінити схему таким чином, щоб АЦП мав
адресу E8XXh, в) змінити
схему таким чином, щоб АЦП мав адресу FFXXh
Приклад 3
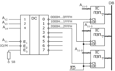
Типовим елементом схем адресації є дешифратор, у якому
використовуються як інформаційні, так і
входи дозволу. На рисунку 3 наведена
схема адресації ПЗП, яка складається з
трьох субмодулей з організацією 4Кх8. Адреси займають
12К у верхній частині АП, тобто зону від 0000Н до 2FFFH.
![]()
Сигнал
дозволу роботи дешифратора Е = Е1Е2Е3. Дванадцять молодших розрядів адреси
вибирають комірку у субмодулі. Старші розряди адреси
декодуються для формування сигналів вибору кристала
.
Сигналом
визначається інтервал виконання операції
читання.
Однією з умов дозволу роботи дешифратора є низький
рівень сигналу ІO/М.

Рисунок 3 –
Приклад адресації модуля пам'яті.
Приклад 4
На рисунку 4 для адресації модулів пам'яті, складеного
із субмодулей з організацією 2Кх8 при розміщенні
адрес у зоні адресного простору (АП), що починається з адреси 8000Н, використовується
дешифратор. Якщо адреса знаходиться в межах 8000H...BFFFH, то робота
дешифратора дозволена, тому що цим межам
відповідають умови А15 = 1 і A14 = 0. Область АП, що
лежить у зазначених межах, у залежності від значень біт A13...A11
поділяється на частини по 2К (0800Н). Кожний з виходів дешифратора сигналом
може вибирати мікросхему пам’яті з числом
збережених слів 2К. Лінії адреси А10-0 адресують комірки на
кристалі.

Рисунок 4 – Варіант адресації модуля пам'яті.
Приклад 5
Розглянемо приклад розміщення в АП модулів ПЗП, ОЗП і зовнішніх
пристроїв (ЗП). Для пам'яті використовуємо абсолютну адресацію, а для ЗП -
лінійну селекцію. Нехай для ПЗП відведено 16К адреси на початку АП, адреси ЗП
займають третю чверть АП, а адреси ОЗП займають останні 8К адресного простору.
Приймемо, що в системі мається 5 ЗП, кожний з яких має 4 внутрішніх регістри зі
своїми адресами, а як ОЗП
використовується тригерне ЗП. Розподіл
АП показаний на рисунку 5.

Рисунок 5 – Приклад розподілу адресного простору між
модулями пам'яті і зовнішніх пристроїв.
Нехай ПЗП будується на мікросхемах з організацією
8Кх8, а ОЗП на мікросхемах 2Кх8. Для адресації ЗП використовуємо молодші
розряди шини адреси, число яких визначається як N + 2, де N - число ЗП, а дві
лінії потрібні для адресації їх внутрішніх регістрів. Схема адресації, яка
відповідає таблиці адрес (таблиця 1), наведена на рисунку 6. Дешифратор DD1
розподіляє АП на чотири частини, його виходи дозволяють роботу тим об'єктам
адресації, що розташовані у відповідній чверті АП. Лінія А13 дозволяє
роботу мікросхеми PROM0 у першій половині першої чверті АП при нульовому стані
і роботу мікросхеми PROM1 - при одиничному. Лінії А2..А6 використані
для лінійної селекції зовнішніх пристроїв, а лінії A12 і А11
декодуються дешифратором DC2, для дозволу роботи мікросхемам SRAM3...SRAM0 у їх
зонах адрес
Рисунок 6 – Схема адресації модулів пам'яті і зовнішніх
пристроїв.
Таблиця 1 – Схема адресації
|
Об'єкт |
А15 |
А14 |
А13 |
А12 |
А11 |
А10 |
А9 |
А8 |
А7 |
А6 |
А5 |
А4 |
А3 |
А2 |
А1 |
А0 |
|
PROM0 |
0 |
0 |
0 |
d |
d |
d |
d |
d |
d |
d |
d |
d |
d |
d |
d |
d |
|
PROM1 |
0 |
0 |
1 |
d |
d |
d |
d |
d |
d |
d |
d |
d |
d |
d |
d |
d |
|
ЗП 0 |
1 |
0 |
x |
x |
x |
x |
x |
x |
x |
0 |
0 |
0 |
0 |
1 |
d |
d |
|
ЗП 1 |
1 |
0 |
x |
x |
x |
x |
x |
x |
x |
0 |
0 |
0 |
1 |
0 |
d |
d |
|
ЗП 2 |
1 |
0 |
x |
x |
x |
x |
x |
x |
x |
0 |
0 |
1 |
0 |
0 |
d |
d |
|
ЗП 3 |
1 |
0 |
x |
x |
x |
x |
x |
x |
x |
0 |
1 |
0 |
0 |
0 |
d |
d |
|
ЗП 4 |
1 |
0 |
x |
x |
x |
x |
x |
x |
x |
1 |
0 |
0 |
0 |
0 |
d |
d |
|
SRAM0 |
1 |
1 |
1 |
0 |
0 |
d |
d |
d |
d |
d |
d |
d |
d |
d |
d |
d |
|
SRAM1 |
1 |
1 |
1 |
0 |
1 |
d |
d |
d |
d |
d |
d |
d |
d |
d |
d |
d |
|
SRAM2 |
1 |
1 |
1 |
1 |
0 |
d |
d |
d |
d |
d |
d |
d |
d |
d |
d |
d |
|
SRAM3 |
1 |
1 |
1 |
1 |
1 |
d |
d |
d |
d |
d |
d |
d |
d |
d |
d |
d |
Символом "X" позначені байдужні стани адресних розрядів, буквою d - розряди, що входять до складу адресних входів самих
мікросхем пам'яті або адресних ліній внутрішніх регістрів ЗП.
Приклад 6
З метою спрощення схем декодування і при наявності
"зайвого" адресного простору можна застосувати неабсолютну адресацію,
при якій кожному об'єкту адресації привласнюється не одна єдина адреса, а група
адрес (деяка зона АП). Наприклад, в АП ємністю 64К потрібно розмістити всього
два субмодуля пам'яті по 8К адрес у кожному. При
абсолютній адресації (рисунок 7, а) на адресні входи самих ІС пам'яті надходять
13 молодших розрядів адреси для адресації 8К комірок субмодуля. Розряди, що залишилися, A15-13
надходять на дешифратор, нульовий і одиничний виходи якого дозволяють роботу субмодулей СМ1 і СМ2. Інші виходи дешифратора можуть бути
використані для підключення інших об'єктів адресації в зоні АП, що залишилася
вільної (48К).
При неабсолютній адресації лінії адреси A12-А0
подаються на адресні входи ІС, а для вибору однієї з них використовується лінія
А15. Лінії А14 і А13 не використовуються
взагалі, їхні стани байдужні. Схема адресації (рисунок 7, б) спрощується,
замість дешифратора "3 на 8"
потрібний тільки інвертор. Платою за це є заняття двома субмодулями
по 8К усього АП. Дійсно, всі адреси виду 0XXdd...d належать субмодулю
СМ1, а це відповідає верхнім 32К АП. Всі адреси виду 1XXdd...d належать субмодулю СМ2 і займають 32К в нижньої частини АП.

Рисунок 7 – Приклади реалізації абсолютної (а) і
неабсолютної (б) адресації субмодулей пам'яті.
Неабсолютна адресація – досить гнучкий підхід для
побудови схем декодування адреси. Для адресації об'єкта можна використовувати
більш-менш широку зону АП, вибираючи
при необхідності компроміс між крайніми рішеннями, показаними на рисунку 7.
Приклад 7

Рисунок 8 – Схема
модулів пам'яті ОЗП та ПЗП мікропроцесорної системи
Для схеми:
1.
Наведіть організацію ІМС ОЗП
2.
Наведіть організацію ІМС ПЗП
3.
Визначте об’єм ОЗП МПС.
4.
Визначте об’єм ПЗП МПС.
5.
Намалюйте адресний простір МПС та покажіть
де розташовані субмодулі ОЗП та ПЗП.
6.
Визначте, який діапазон шістнадцятирічних
адрес можуть активізувати модулі ОЗП.
7.
Визначте, який діапазон шістнадцятирічних
адрес можуть активізувати модулі ПЗП.
8.
Визначте, чи можуть шістнадцятирічні
адреси 607F, 57FA, 5F00, 15D0, AFF3 активізувати модулі пам’яті, і якщо так, то які з них.
9.
Наведіть схему керування субмодулями ОЗП, якщо початковий
об’єм ОЗП збільшений у два рази.
10.
Наведіть схему керування субмодулями ПЗП, якщо початковий
об’єм ПЗП збільшений у два рази.
Відповідь:
1. Організація
ІМС ОЗП – 1КБіт х 4
2. Організація
ІМС ПЗП – 8КБіт х 8
3. ОЗП
МПС має об’єм 2 КБайт
4. ОЗП
МПС має об’єм 8 КБайт
5. Адресний
простір МПС наведений на рисунку 9.
6. Для
активізації модулів ОЗП на старших розрядах шини адреси повинні бути
встановлені такі рівні сигналів 1000
0ххх хххх хххх, що
відповідає діапазону адрес: 8000h-87Ffh.
7. Для
активізації модулів ПЗП на старших розрядах шини адреси повинні бути
встановлені такі рівні сигналів 010х хххх хххх хххх,
що відповідає діапазону адрес: 4000h-5FFFh.
8. Шістнадцятирічні
адреси 57FA, 5F00
можуть активізувати модуль ПЗП.
9. Якщо початковий об’єм ОЗП збільшити у два рази, то для керування
модулями потрібно застосувати дешифратор 2 на 4, схема застосування якого наведена на рисунку 10.
10. Якщо початковий об’єм ПЗП збільшити у два рази, то для керування
модулями потрібно застосувати дешифратор 2 на 4, схема застосування якого
наведена на рисунку 11 і задіяти
додатково третій адресний простір МПС
![]()
Рисунок 9 – Розподіл адресного
простору (до рисунку 8)

Рисунок 10 –
Схема керування модулями ОЗП

Рисунок 11 – Схема керування модулями ПЗП
Приклад 8
Розробити
блок пам’яті, що підключається до шин мікропроцесорної системи (шина адреси –
16розрядна, шина даних – 8 розрядна), розробити функціональну схему, навести
опис роботи:
|
Область
ОЗП |
Організація
ОЗП |
Об’єм
ОЗП |
|
4-7
(32-64КБайт) |
8Кх8 |
32КБайт |
Відповідь:
блок пам’яті, що проектується, повинний
підключатись до 16 розрядної шини адреси, 8 розрядної шини даних
мікропроцесорної системи. Крім того мікросхема ОЗП має три режими роботи:
читання, запис, зберігання. Для забезпечення приведених режимів роботи потрібно
задіяти сигнал
шини керування. Організація ІМС ОЗП 8Кх8
означає, що мікросхема має 8 розрядну шину даних та 13 адресних виводів (213=8К).
Таким чином для організації об’єму 32кБ потрібно застосувати «нарощування по
вертикалі» й використати 4 ІМС ОЗП (32/8 = 4). Для керування їх роботою потрібно
застосувати адресний дешифратор 2 на 4.
Вибір
області пам’яті 32-64 кБайт забезпечує самий старший
розряд шини адреси А15. Коли його стан 1 включається дешифратор DD1 і за допомогою А14,
13 здійснюється вибір однієї з чотирьох ІМС ОЗП (DD2-DD5).

Рисунок
12 – Організація блоку пам’яті ОЗП
мікропроцесорної системи
Варіанти індивідуальних завдань
Cпроектувати блок пам’яті, розробити
функціональну схему підключення до шин мікропроцесорної системи (шина адреси
–16розрядна, шина даних –8 розрядна), навести опис роботи (таблиця 2).
Таблиця 2 – Варіанти індивідуальних
завдань
|
№ |
Область ОЗП |
Організація ОЗП |
Об’єм ОЗП |
|
1 |
0 (0-4Кбайт) |
1Кх4 |
4КБайт |
|
2 |
0 (0-8КБайт) |
1Кх8 |
8КБайт |
|
3 |
7 (60-64КБайт) |
2Кх4 |
4КБайт |
|
4 |
7 (56-64КБайт) |
2кХ8 |
8КБайт |
|
5 |
4 (32-36КБайт) |
4Кх1 |
4КБайт |
|
6 |
4, 5 (32-48КБайт) |
4Кх8 |
16КБайт |
|
7 |
7 (56-64КБайт) |
8Кх1 |
8КБайт |
|
8 |
0-3 (0-32КБайт) |
8Кх8 |
32КБайт |
|
9 |
4 (32-36КБайт) |
1Кх4 |
4КБайт |
|
10 |
1 (8-12КБайт) |
1Кх8 |
4КБайт |
|
11 |
0 (0-4Кбайт) |
2Кх4 |
4КБайт |
|
12 |
0, 1 (0-16КБайт) |
2кХ8 |
16КБайт |
|
13 |
0 (0-4КБайт) |
4Кх1 |
4КБайт |
|
14 |
4-7 (32-64КБайт) |
4Кх8 |
32КБайт |
|
15 |
0 (0-8КБайт) |
2Кх8 |
8КБайт |
|
16 |
6 (56-60КБайт) |
2Кх4 |
4КБайт |
|
17 |
5 (36-40КБайт) |
4Кх1 |
4КБайт |
|
18 |
2,3 (16-32КБайт) |
8Кх1 |
16КБайт |
|
19 |
4 (32-40КБайт) |
4Кх1 |
8КБайт |
|
20 |
4-7 (32-64КБайт) |
16Кх1 |
32КБайт |
2 Способи
розширення адресного простору мікропроцесора
Досить
часто можливості адресного простору мікропроцесорної системи вичерпуються
(сумарний об'єм доступних мікросхем ОЗП і ПЗП перевищує об'єм адресного
простору). У такому разі доводиться прибігати до методів розширення адресного
простору.
2.1 Метод сторінкового розширення
адресного простору
Для того, щоб
зрозуміти, як можна збільшити адресний простір у вже існуючій мікропроцесорній
системі, не міняючи мікропроцесор, звернемо увагу на те, що сигнали на адресних
провідниках нічим не відрізняються від сигналів, що використовуються для
управління зовнішніми пристроями, тому для розширення адресного простору
мікропроцесорної системи можна скористатися схемою, подібною до паралельного
порту. Виходи регістра в цьому випадку використовуватимуть як старші розряди
адресної шини. При додаванні до адресної шини одного додаткового розряду
подвоюється адресний простір мікропроцесорної системи. Записавши в цей біт
нульове значення, отримаємо колишній варіант мікропроцесорної системи, а
записавши одиничне значення, звертатимемося до додаткового адресного простору.
Додавши до адресної шини вісім додаткових біт, отримаємо 256 адресних
просторів, подібних до первинного адресного простору. Записуючи в додаткові
розряди адреси число, що відповідає номеру адресного простору, можна
перемикатися між цими адресними просторами.

Рисунок 13 – Схема центрального процесора з перемикачем
сторінок пам'яті, реалізованим за схемою паралельного порту
Початковий
адресний простір еквівалентно сторінці книги, а перемикання між адресними
просторами еквівалентно перегортанню сторінок в цій книзі. Тому описаний метод
розширення адресного простору дістав назву сторінкового методу адресації.
Паралельний порт, при його застосуванні
для розширення адресного простору мікропроцесорної системи, називається
диспетчером пам'яті, а його регістр даних — перемикачем сторінок. Схема
центрального процесора з диспетчером пам'яті, реалізованим за схемою
паралельного порту, приведена на рисунку 13. На цій схемі для економії
зовнішніх виводів шина даних і шина адреси об'єднані і для їх розділення використовується
спеціальний сигнал – ALE. Розділення адрес і даних робить паралельний регістр
D3, який запам'ятовує молодший байт адреси по сигналу АLЕ. Подібний принцип
застосовується в мікропроцесорах К580, К1821, К1816, К1830 і ряду зарубіжних
мікропроцесорів, наприклад, сімействі мікроконтроллерів
AVR. В результаті застосування паралельного регістра D3 формується 16-розрядна
шина адреси. Як регістр даних перемикача сторінок в схемі на рисунку 13
використаний паралельний регістр D6. Для звернення до цього регістра
використовується дешифратор адреси, зібраний на мікросхемі D4. Дешифратор
адреси налаштований на число 0FFFFh, що дозволяє звертатися до перемикача
сторінок на кожній сторінці як до самого старшого елементу пам'яті сторінки, а
це означає, що втрачається тільки один осередок адресного простору кожної
сторінки.
При застосуванні восьмирозрядного
перемикача сторінок в мікропроцесорній системі з'явилися додаткові вісім ліній
адреси. В результаті адресний простір мікропроцесорної системи збільшився до 224 = 16 Мбайт. Структура нового
адресного простору наведена на рисунку 14,
а принцип формування нової адреси з використанням перемикача сторінок пояснений
на рисунку 15.

Рисунок 14 –
Структура сторінкового адресного простору

Рисунок 15 – Формування адреси з використанням перемикача
сторінок
2.2 Метод
сегментного розширення адресного простору
Метод
сторінкової адресації простий в реалізації, і при формуванні адреси фізичної
пам'яті не призводить до додаткових часових затримок. Проте при використанні багатозадачного режиму роботи процесора для кожного
активного завдання виділяється ціла сторінка в системній пам'яті
мікропроцесора. Якщо програмний код завдання не займає повністю сторінку, то в
системній пам'яті процесора залишається багато невживаних областей. Розв'язати
виниклу проблему дозволяє метод сегментної організації пам'яті.
При використанні
цього методу для розширення адресного простору використовується базовий
регістр, відносно якого робиться адресація команд або даних в програмі.
Розрядність базового регістра вибирають рівній розрядності лічильника команд.
Для звернення до базового регістра диспетчера пам'яті, як і при сторінковій
організації пам'яті, можна використати схему, подібну до схеми паралельного
порту. Правда для відображення 16-розрядного регістра в адресному просторі
8-розрядного мікропроцесора знадобиться вже два елементи пам'яті.
Приклад
розподілу адресного простору при використанні сегментного методу адресації і
різному розмірі програмних сегментів наведений на рисунку 16. Як видно з цього рисунку, розміри окремих
сегментів пам'яті на відміну від розмірів сторінок можуть бути різними. Це
пов'язано з тим, що вікна (розмір вікна залишається тим самим – 64 Кбайт) при сегментній організації пам'яті можуть
перекриватися, і якщо частина пам'яті у вікні, виділеному для попередньої
програми, не використовується, то наступне вікно можна розмістити, починаючи з
першого вільного елементу пам'яті. Такий метод розширення адресного простору
дозволяє економніше використати доступні ресурси пам'яті мікропроцесора.
Для формування
фізичної адреси, при сегментному виді розширення адресного простору
мікропроцесорної системи, використовується паралельний двійковий суматор. На
входи цього суматора подається вміст базового регістра і лічильника команд.
Додавання робиться зі зміщенням коду базового регістра ліворуч на декілька біт
відносно утримуваного лічильника команд. У результаті максимальний розмір
сегменту визначається розрядністю програмного лічильника, а максимальна
невикористана область пам'яті – зміщенням базового регістра відносно
програмного лічильника. Враховуючи, що базовий регістр зміщений відносно
програмного лічильника на чотири розряди, мінімальний крок при розміщенні вікон
буде 24 = 16 байт, тобто в цьому випадку максимальна область невикористаної
пам'яті між програмними сегментами дорівнюватиме 15 байтам.

Рисунок 16 – Приклад
адресного простору з використанням трьох програмних сегментів
Розглянуті
принципи формування адреси при сегментній адресації відображені
рисунком 17. Замість програмного лічильника можуть
виступати регістри покажчика даних і покажчика стека.

Рисунок 17 –
Формування адреси при сегментній адресації
Зазвичай у
диспетчері пам'яті використовується не один, а декілька базових регістрів. Це
дозволяє мікропроцесору працювати з декількома сегментами одночасно. Кількість
базових регістрів визначає максимальний об'єм даних, доступних для програми.
Кількість
одночасно сегментів, що використовуються, визначається кількістю базових
регістрів. Сегменти можуть перекриватися в адресному просторі, і тим самим
можна регулювати розмір пам'яті, який відводиться під кожен конкретний сегмент
пам'яті. У комп'ютерах сімейства IВМ РС є чотири базові регістри, що визначають
сегмент даних – DS, сегмент програми – PS, сегмент стека – SS і додатковий
сегмент – ES. Інформацію у базові регістри заносить операційна система при
запуску програми і перемиканні між активними програмами.
2.3 Метод
розширення адресного простору за допомогою вікон
Ще одним поширеним способом збільшення адресного
простору мікропроцесорної системи є застосування вікон. При використанні вікон
робиться розширення не усього адресного простору, а тільки його частини.
Усередині адресного простору виділяється деяка область, яка називається вікном.
У це вікно може відображатися частина іншого адресного простору. При
використанні вікон може бути застосований як сторінковий, так і сегментний
метод відображення сусіднього адресного простору у вікно. При цьому розмір
сторінки, що відображається у вікно, не може перевищувати розмір самого вікна.
При використанні сторінкового методу відображення, конкретна сторінка
додаткового адресного простору, що відображається у вікно основної пам'яті,
визначається перемикачем сторінок. Перемикач сторінок будується за принципом,
розглянутим раніше (див. схему на рисунку 13). При використанні сегментного
методу конкретна область адресного простору, яка відображається у вікно,
визначається вмістом базового регістра. Якщо розрядність адреси допоміжного
адресного простору, що відображається у вікно основної пам'яті, співпадає з
розрядністю базового регістра, то будь-яка область допоміжної пам'яті може бути
відображена в основну пам'ять з точністю до байта.
Принцип
використання віконної адресації при відображенні сторінок додаткової пам'яті в
основний адресний простір можна легко зрозуміти по рисунку 18.

Рисунок 18 –
Застосування вікна для розширення адресного простору
Віконна
адресація часто використовується при розвитку мікропроцесорних сімейств, коли
розміру областей пам'яті, відведених для конкретних завдань в молодших моделях
сімейства, бракує для старших моделей, а при цьому треба підтримувати апаратну
сумісність з молодшими моделями сімейства. Як приклад можна привести мікросхеми
181С96 фірми INTEL або ТМ8320С5410 фірми Texas Instrument, де для розширення області регістрів спеціальних
функції використовується віконна адресація.