Діагностика пасивних елементів
Для "прозвонки" радіодеталей і монтажних кіл часто використовують авометр в режимі виміру опорів або окремий омметр із стрілочним індикатором. При роботі з ним доводиться переводити погляд на стрілку. Якщо ж особлива точність вимірів не потрібна, застосовують пробники з візуальною індикацією (рис.1) і пробники зі звуковою сигналізацією.

Рисунок 1 – Схема пробника з світловою індикацією

Рисунок 2 – Схема пробника з звуковою індикацією
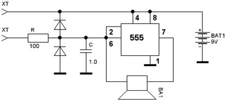
Пробники зі звуковою сигналізацією являють собою генератор низькочастотних коливань (типу LC, RC або мультивібратор) із виходом на малогабаритний гучномовець або телефон. Опір, що перевіряється змінює режим роботи генератора, що призводить до зменшення інтенсивності звукового сигналу або зміні його частоти. Приклади таких пробників наведені на рис. 2. Схема, що наведена на рис.2, а дозволяє перевіряти якість з’єднання та опори до 1 кОм. Коли при торканні щупами ділянки кола, що перевіряється в телефоні чутні лише шорхання, це вказує, що опір даної ділянки перевищує 1 кОм. Повна відсутність звуку означає обрив або дуже великий дозволяє опір кола, що перевіряється. Схема, що наведена на рис.2, б, реагує звуковим сигналом на електричні кола з опором до 100 кОм. На рис.3 наведена схема пробника з акустичною та світловою індикацією.

Рисунок 3 – Пробник з акустичною та світловою індикацією
Перевірка резисторів
Для перевірки дротяного і недротяного резисторів постійного і змінного опору необхідно виконати наступне: провести зовнішній огляд; по маркіровці і розмірам визначити номінальну величину опору, допустиму потужність розсіювання і клас точності; омметром виміряти дійсну величину опору і визначити відхилення від номіналу; в змінних резисторів виміряти ще і плавність зміни опору при русі повзунка. Резистор справний, якщо немає механічних пошкоджень, величина його опору знаходиться в допустимих межах даного класу точності, а контакт повзунка із струмопровідним шаром постійний і надійний.
Перевірка котушок індуктивності та трансформаторів
Перевірка справності котушок індуктивності починається із зовнішнього огляду, в ході якого переконуються в справності каркаса, екрану, виводів; у правильності і надійності з'єднань усіх деталей котушки між собою; у відсутності видимих обривів дротів, замикань, ушкодження ізоляції і покриттів. Особливу увагу слід звертати на місця обвуглювання ізоляції, каркаса, почорніння або оплавлення заливки.
Електрична перевірка котушок індуктивності включає перевірку на обрив, виявлення короткозамкнутих витків і визначення стану ізоляції обмотки. Перевірка на обрив виконується пробником. Збільшення опору означає обрив або поганий контакт одній або декількох жил. Зменшення опору означає наявність міжвиткового замикання. При короткому замиканні виводів опір дорівнює нулю.
Для точнішого уявлення про несправність котушки необхідно виміряти індуктивність. На закінчення рекомендується перевірити працездатність котушки в такому ж свідомо справному апараті, для якого вона призначена.
По конструкції і технології виготовлення силові трансформатори, трансформатори і дроселі НЧ мають багато спільного. Ті і інші складаються з обмоток, виконаних ізольованим дротом, і осердя. Несправності трансформаторів і дроселів НЧ діляться на механічні і електричні.
До механічних несправностей відносяться: поломка екрану, осеря, виводів, каркаса, до електричних − обриви обмоток; замикання між витками обмоток; коротке замикання обмотки на корпус, осердя, екран; пробій між обмотками, на корпус або між витками однієї обмотки; зменшення опору ізоляції; місцеві перегрівання.
Перевірку справності трансформаторів і дроселів НЧ починають із зовнішнього огляду. В ході його виявляють і усувають усі видимі механічні дефекти. Перевірка на коротке замикання між обмотками, між обмотками і корпусом проводиться омметром. Прилад включають між виводами різних обмоток, а також між одним з виводів і корпусом. Так само перевіряється і опір ізоляції, який має бути не менше 100 мОм для герметизованих трансформаторів і не менше десятків мОм для негерметизованих.
Найскладніша перевірка на між виткові замикання. Відомі декілька способів перевірки трансформаторів.
1. Вимір омічного опору обмотки і порівняння результатів з паспортними даними. (Спосіб простий, але не точний, особливо при малій величині омічного опору обмоток і малому числі короткозамкнутих витків).
2. Перевірка котушки за допомогою спеціального приладу − аналізатора короткозамкнутих витків.
3. Перевірка коефіцієнтів трансформації на холостому ходу. Коефіцієнт трансформації визначається як відношення напруги, що показується двома вольтметрами. За наявності міжвиткових замикань коефіцієнт трансформації буде менше норми.
4. Вимір індуктивності обмотки.
5. Вимір споживаної потужності на холостому ходу. У силових трансформаторів однією з ознак короткозамкнутих витків є надмірний нагрів обмотки.
Якщо в процесі перевірки функціонування викликає сумнів справність силового трансформатора, то, виконавши перевірку струму холостого ходу Іхх трансформатора, можна судити про його якість. Струм холостого ходу визначають у колі первинної обмотки трансформатора (рис.4). Струм холостого ходу Іхх розраховують за формулою:
Іхх = P(1-n)/U,
де Р – потужність трансформатора, В*А; U – напруга мережі, В; n – ККД трансформатора.

Рисунок 4 – Схема вимірювання струму холостого ходу трансформатора
Значення n наведене в табл. 1. Якщо Ixx, трансформатора, значно більше розрахункового, то в процесі роботи такий трансформатор буде перегріватися, що може призвести до виходу його з ладу. Причиною перегріву може бути порушення міжвиткової ізоляції, у результаті чого з'являється коротке замикання витків. Установити наявність коротко замкнутих витків можна за схемою, що наведена на рис. 5. Якщо при розмиканні контактів кнопки S неонова лампа HS спалахує, то коротко замкнуті витки відсутні. Коли немає спалахів є коротко замкнуті витки. Аналогічно перевіряють дроселі фільтрів.
Таблиця 1− Значення ККД трансформатора
|
Р, ВА |
n |
|
10 |
0,6...0,7 |
|
10...30 |
0,7...0,8 |
|
30...50 |
0,8...0,85 |
|
50...100 |
0,85...0,9 |
|
100 |
0,9 |

Рисунок 5 − Схема визначення коротко замкнутих витків силового трансформатора
Переконатися в тому, що усередині обмотки немає коротких замикань між шарами, що призводять до перегрівання трансформатора, можна за значенням індуктивності, порівнявши її з аналогічним виробом. Коли такої можливості немає, можна скористатися іншим методом, заснованому на резонансних властивостях кола. Від генератора подаємо синусоїдальний сигнал по черзі на обмотки через розділовий конденсатор і контролюємо форму сигналу у вторинній обмотці. Якщо усередині немає міжвиткових замикань, то форма сигналу не повинна відрізнятися від синусоїдальної в усьому діапазоні частот. Знаходимо резонансну частоту по максимуму напруги у вторинному колу. Ко-роткозамкнуті витки в котушці призводять до зриву коливань в LC контурі на резонансній частоті. У трансформаторів різного призначення робочий частотний діапазон відрізняється − це потрібно враховувати при перевірці.
1) Якщо
взяти імпульсний трансформатор живлення, наприклад, розділовий трансформатор
рядкової розгортки, підключити його відповідно до рис.6. Подати на І обмотку
синусоїду (U = 5−10В, f =10−100 кГц (трансформатори живлення НЧ: 40−60
Гц, трансформатори живлення імпульсних блоків живлення: 8−40 кГц,
трансформатори розділові, ТДКС: 13−50кГц)) через С=0,1−1 мкФ,
то на II обмотці за допомогою осцилографу спостерігаємо форму вихідної
напруги.

Рисунок 6 − Схема підключення для перевірки трансформатора
"Прогнавши" на частотах від 10 кГц до 100 кГц генератор 3Ч, важливо, щоб на будь-якій отримати чисту синусоїду (рис. 7 зліва) без викидів і "горбів" (рис. 7 у центрі). Наявність епюр у всьому діапазоні (рис. 7 праворуч) інформує про міжвиткові замикання в обмотках. Дана методика з визначеним ступенем можливості дозволяє відбраковувати трансформатори живлення, різноманітні розділові трансформатори, частково рядкові трансформатори. Важливо лише підібрати частотний діапазон.

Рисунок 7 − Форми сигналів на виході трансформатора
2) Принцип роботи заснований на явищі резонансу. Збільшення (від 2-х разів
і вище) амплітуди коливань з генератора НЧ указує, що частота зовнішнього
генератора відповідає частоті внутрішніх коливань LC-контуру.
Для перевірки (рис.7) закріпіть II обмотку трансформатора. Коливання в контурі LC зникнуть. З цього випливає, що коротко замкнуті витки зривають резонансні явища в LC контурі, чого ми і домагалися. Наявність коротко замкнутих витків у котушці також призведе до неможливості спостерігати резонансні явища в LC контурі. конденсатор С вибирають номіналом 0,01−1 мкФ. Частота генерації підбирається експериментально.

Рисунок 7− Схема підключення для перевірки трансформатора методом резонансу напруг
3) Принцип роботи той же, що і в другому випадку, тільки використовується варіант послідовного коливального контуру.

Рисунок 8 − Схема підключення для перевірки трансформатора методом резонансу струмів
Відсутність (зрив) коливань (достатньо різкий) при зміні частоти генератора указує на резонанс LC контуру. Усе інше, як і в другому способі, не призводить до різкого зриву коливань на контрольному пристрої (осцилограф, мілівольтметр змінного струму).
Випускаються спеціальні прилади − аналізатори короткозамкнутих витків. Прилад складається з наступних основних частин: генератора імпульсів з великою шпаруватістю; коливального контуру, що утворений обмоткою випробувального трансформатора і конденсатором, що входить до складу приладу; компаратора затухаючих імпульсів; лічильник імпульсів; пристрій індикації. Контур збуджується коротким імпульсом. У ньому утворюються затухаючі коливання. Якщо трансформатор має короткозамкнуті витки або обрив обмотки, то кількість імпульсів буде невеликою або їх взагалі не буде. Якщо кількість імпульсів дорівнює 8, трансформатор вважається справним.
При ремонті радіоприймальних пристроїв доцільно знати кольорове позначення контурних котушок.
Таблиця 2 − Кольорове позначення контурних котушок
|
Колір маркування |
Призначення контурних котушок |
|
Жовтий |
Фільтр ПЧ-АМ 455.. .460 кГц |
|
Білий |
Детектор ПЧ-АМ 455.. .460 кГц |
|
Помаранчевий |
Фільтр ПЧ-ЧМ 10,7 МГц |
|
Бузковий |
Фільтр ПЧ-ЧМ 10,7 МГц |
|
Рожевий |
Дискримінатор ПЧ-ЧМ 10,7 МГц |
|
Зелений або синій |
Дискримінатор ПЧ-ЧМ 10,7 МГц |
|
Червоний |
Контур гетеродину AM СХ-ДХ |
|
Без маркування |
Вхідний СХ контур в автомагнітолах. Вхідні та гетеродинні КХ контури |
Перевірка конденсаторів
До електричних несправностей відносяться: пробій конденсаторів; коротке замикання пластин; зміна номінальної ємності із-за старіння діелектрика, попадання на нього вологи, перегрівання, деформації; підвищення струму витоку із-за погіршення ізоляції. Повна або часткова втрата ємності електролітичних конденсаторів відбувається в результаті висихання електроліту.
Простий спосіб перевірки справності конденсатора − зовнішній огляд, при якому виявляються механічні ушкодження. Якщо при зовнішньому огляді дефекти не виявлені, проводять електричну перевірку. Вона включає: перевірку на коротке замикання, на пробій, на цілість виводів, перевірку струму витоку (опір ізоляції), вимір ємності.
Конденсатори великої місткості (1 мкФ і вище) перевіряють пробником (омметром), підключаючи його до виводів конденсатора. Якщо конденсатор справний, то стрілка приладу повільно повертається в початкове положення. Якщо ж витік великий, то стрілка приладу не повернеться в початкове положення.
Конденсатори середньої ємності (від 500 пФ до 1 мкФ) перевіряють за допомогою послідовно підключених до виводів конденсатора телефонів і джерела струму. При справному конденсаторі у момент замикання ланцюга в телефонах прослуховується клацання.
Конденсатори малої ємності (до 500 пФ) перевіряють в колі струму високої частоти. Конденсатор включають між антеною і приймачем. Якщо гучність прийому не зменшиться, значить, обриву виводів немає.
Конденсатори перевіряють на витік та ємності втрати. При перевірці конденсатора на витік керуються такими правилами.
1. Якщо конденсатор справний, то прикладена до нього постійна напруга не викликає струму в провіднику, що з'єднує конденсатор з іншою схемою.
2. Якщо конденсатор має витік, то під впливом прикладеної до нього постійної напруги в провіднику, що з'єднує конденсатор з іншою схемою, з'явиться великий або малий постійний струм.
3. Коли через конденсатор протікає постійний струм, то існує невелике падіння напруги між його виводами, яка обумовлена наявністю внутрішнього опору.
4. Достатньо чутливий вольтметр постійної напруги покаже, протікає або ні протікає постійний струм через конденсатор.
У електролітичних конденсаторів, що використовуються як розділові, з'являються ємнісні втрати. Пошкоджений конденсатор уже не являє собою фактичного короткого замикання для зміїного струму, але є істотним реактивним або повним опором для миттєвого змінного сигналу з порівняно великим послабленням на низьких частотах. Для перевірки конденсатора на ємносні втрати до його виводів підключають цифровий вольтметр змінної напруги і подають на конденсатор сигнал частотою 20 Гц. Якщо цифровий вольтметр покаже значну напругу, то можна зробити висновок, що конденсатор вийшов із ладу. Якщо конденсатор у справному стані, то падіння напруги буде практично непомітно.
Електролітичні конденсатори можна перевіряти осцилографом. У осцилографів С1- 49, С1- 67 є вбудований калібратор амплітуди і тривалості, який можна використовувати для тестування електролітичних конденсаторів, не випаюючи їх з пристрою. Для цього використовується схема, що зображена на рис. 9 і представляє диференціюючу ланку. Форма сигналу залежить від ємності Сх

Рисунок 9 – Схема для тестування конденсатора осцилографом
Для перевірки конденсаторів користуюся стандартним трійником з 75-омной навантаженням і двома щупами з голками. Замкнувши щупи на коротко, домагаюся на екрані зображення прямокутних імпульсів. Це режим калібрування. Його осцилограма показана на рис.10 під номером 1. Головна умова перевірки − корпус осцилографа не повинний торкатися випробовуваного конденсатора.

Рисунок 10 – Осцилограми тестування конденсаторів
Під час перевірки можливі такі варіанти: конденсатор втратив ємність (рис. 10, осц.№2); ємність конденсатора біля 1мкФ (рис. 10, осц.№3); ємність конденсатора біля 10мкФ (рис. 10, осц.№4); ємність конденсатора більше 100мкФ (рис. 10, осц.№5); до конденсатора, що втратив ємність, паралельно підключений низькоомний резистор (рис. 10, осц.№6).
Для перевірки конденсаторів можна скористатись спеціальним пробником, що зображений на рис.11.

Рисунок 11 – Пробник для діагностики конденсаторів
При підключені конденсатора відбувається його заряд, який дозволяє за зміною звуку оцінити на слух його ємність. Частота клацання після заряду конденсатора визначається струм витоку (один раз в секунду відповідає 1 мОм опору витоку). Цей же пробник дозволяє діагностувати на звук міжвиткове замикання індуктивності обмоток трансформаторів і якорів колекторних електродвигунів.
Перевірка кварцових резонаторів
Кварц, як і інші деталі, схильні до старіння, тому ставити новий кварц не варто. Найінтенсивніше кварц міняє свою частоту в перший рік після випуску − відносний відхід частоти за цей період складає 20 х 10-6, за декілька наступних − 10-6 в рік.
Окрім перевірки частот послідовного (fs) і паралельного (fр) резонансів, кварц слід перевірити на активність (добротність) і наявність паразитних резонансів. Для цього використовується схему, що зображена на рис. 12.

Рисунок 12 – Схема для перевірки активності кварцу
Замість генератора сигналів і високочастотного вольтметра краще використовувати вимірювач частотних характеристик X1 - 38. Небажано застосовувати резонатори малоактивні (з малою добротністю), які на частоті основного резонансу розвивають напругу на 25% менше, ніж інші. Паразитні резонанси, віддалені більш ніж на 50..70 кГц від частоти основного резонансу, можна не враховувати.
Основною складністю для більшості радіоаматорів є не лише відсутність необхідних приладів, але і принципова неможливість точного визначення частоти паралельного резонансу, на яку впливають паразитні ємності схеми. Кварц описується тим же рівнянням, що і послідовний контур. Для вимірювання параметрів кварцу необхідно мати частотомір, що дозволяє вимірювати частоту з точністю не гірше 20..50 Гц (краще 2..5 Гц), еталонний конденсатор, величина якого відома з точністю 0,1..1%, і схема, в якій кварц збуджується на частоті послідовного резонансу (рис. 14).

Рисунок 14 – Схема для визначення параметрів кварцу
Для
кварцу визначається частота fs. Потім послідовно з кварцовим резонатором підключається
еталонний конденсатор СЕ, знову визначається частота fs1. Маємо:
,
де Lк - індуктивність кварцу, Ск - послідовна ємність
кварцу.
Коли підключається конденсатор Сэ, то загальна ємність
Ск1 зменшується і складає:

Звідки:
![]()
де СE – в пФ, fs1 та fs – мГц, Lк – мкГн.
Схема для діагностики активності кварців наведена на рис. 15.

Рисунок15 – Схема перевірки працездатності кварцу
Кварц підключається до X1 і Х2 і за амплітудою коливань генератора (індикатор РА1) виявляють найбільш активний. Схема дозволяє перевіряти резонатори в діапазоні 4.. 22 мГц, а з С4 від 50 кГц.. 40 мГц.